Код: 01.COD.762
Крестовина для стиральной машины Midea, Brandt, COD.762, d=25/30/37 мм, l=102 мм
Характеристики
Состояние
Новое
Совместимость
Midea, Brandt
Назначение
Для стиральных машин
Тип
Крестовина
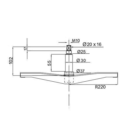
Диаметр посадки подшипника 1 (±0,3 мм)
25 мм
Диаметр посадки подшипника 2 (±0,3 мм)
30 мм
Диаметр втулки под сальник (±0,3 мм)
37 мм
Высота втулки под сальник (±1 мм)
14 мм
Крепление шкива
Посадка на вал 20х16 мм (2 лыски) + резьба в валу М10
Высота лыски (±1 мм)
17 мм
Длина вала общая (±2 мм)
102 мм
Расстояние между упорами подшипников (±1 мм)
55 мм
Радиус от оси вала к центру отверстия луча
220 мм (перпендикулярно оси вала)
Крепление к барабану
3 отверстия Ø 10 мм (в плоскостях лучей)
Комплектация
Крестовина - 1 шт.
Материал
Лучи - алюминиевый сплав, вал - сталь, втулка - латунный сплав
Страна-производитель товара
Италия
Дополнительные характеристики
Втулка из латунного сплава
Описание
Крестовина для стиральной машины Midea, Brandt (EBI COD.762)
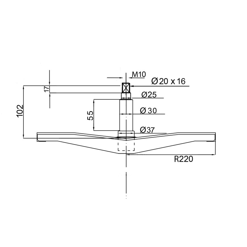
• диаметр посадки подшипника 1 (±0,3 мм) - 25 мм (6205)
• диаметр посадки подшипника 2 (±0,3 мм) - 30 мм (6206)
• диаметр втулки под сальник (±0,3 мм) - 37 мм (37х66х9,5/12)
• высота втулки под сальник (±1 мм) - 14 мм
• крепление шкива - посадка на вал 20х16 мм (2 лыски) + резьба в валу М10
• высота лыски (±1 мм) - 17 мм
• длина вала общая (±2 мм) - 102 мм
• радиус от оси вала к центру отверстия луча (перпендикулярно оси вала) - 220 мм
• крепление к барабану - 3 отверстия Ø 10 мм
Крестовина - это часть конструкции стиральной машины, связывающая два элемента - бак и барабан.
Изготавливается из прочных и стойких к коррозии сплавов на основе алюминия или из нержавеющей стали.
Причины повреждения крестовины:
- жесткая вода
- износ сальников и подшипников
- протекание воды на втулку, вследствие чего появляется налет или ржавчина
- механическое повреждение
- длительный срок эксплуатации
Характерным симптомом выхода из строя зачастую является громкий звук и скрежет во время работы техники.
• диаметр посадки подшипника 1 (±0,3 мм) - 25 мм (6205)
• диаметр посадки подшипника 2 (±0,3 мм) - 30 мм (6206)
• диаметр втулки под сальник (±0,3 мм) - 37 мм (37х66х9,5/12)
• высота втулки под сальник (±1 мм) - 14 мм
• крепление шкива - посадка на вал 20х16 мм (2 лыски) + резьба в валу М10
• высота лыски (±1 мм) - 17 мм
• длина вала общая (±2 мм) - 102 мм
• радиус от оси вала к центру отверстия луча (перпендикулярно оси вала) - 220 мм
• крепление к барабану - 3 отверстия Ø 10 мм
Крестовина - это часть конструкции стиральной машины, связывающая два элемента - бак и барабан.
Изготавливается из прочных и стойких к коррозии сплавов на основе алюминия или из нержавеющей стали.
Причины повреждения крестовины:
- жесткая вода
- износ сальников и подшипников
- протекание воды на втулку, вследствие чего появляется налет или ржавчина
- механическое повреждение
- длительный срок эксплуатации
Характерным симптомом выхода из строя зачастую является громкий звук и скрежет во время работы техники.
Совместимые модели (2)
- Midea
- Brandt
С этим товаром покупают (4)
- Средство для восстановления белого цвета ткани Dr. Beckmann Super Weiss, 2 штуки по 40 г
Артикул: 09.DrBSW80
В наличии 2 ед. - Спрей-пятновыводитель с желчью Dr. Beckmann Gallseife Flecken-Spray, 250 мл
Артикул: 01.DBGFS250
В наличии 2 ед. - Салфетки для восстановления цвета черных тканей Dr.Beckmann Intensiv-Schwarz Tucher, 8 шт.
Артикул: 01.DBist8
В наличии 3 ед.
Просмотренные товары
- Клапан для стиральной машины Zanussi 3792260436, 3792260139
Артикул: 01.3792260139_1
В наличии 6 ед.